Zadzwoń do mnie
Domowe:+86-18169817259
Oversea:+86-13790081902
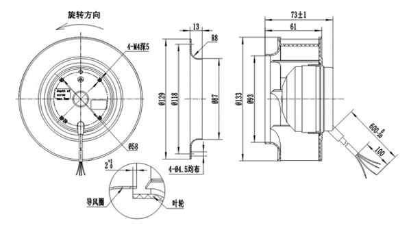
Materiał: Wirnik wykonany z PA66
Łożysko: Łożysko kulkowe
Kontrola prędkości: Shifts Taps (produkt z wieloma prędkościami)
Temperatura pracy: -25 ~ 55 ° C
Klasa izolacji: F
Klasa ochrony: IP44
Zatwierdzenia: CCC, CE

Wydajność:

Punkt roboczy | Ciśnienie statyczne (Pa) | Przepływ powietrza (m3/H) | Prędkość (r/min) | Moc (W) |
1 | 40 | 200 | 2550 | 28 |
2 | 72 | 174 | 2650 | 28 |
3 | 95 | 148 | 2640 | 28 |
4 | 110 | 125 | 2635 | 28 |
5 | 125 | 100 | 2625 | 28 |
Model wentylatora | Typ silnika | Napięcie | Moc | Prąd | Prędkość | Przepływ powietrza | Hałas |
(V) | (W) | (A) | (R/min) | (M3/H) | Lp:dB(A) | ||
BC133A-A072A2-** | AM072A | AC230/50Hz | 28 | 0,13 | 2550 | 220 | 55 |
Szybkie linki