Zadzwoń do mnie
Domowe:+86-18169817259
Oversea:+86-13790081902
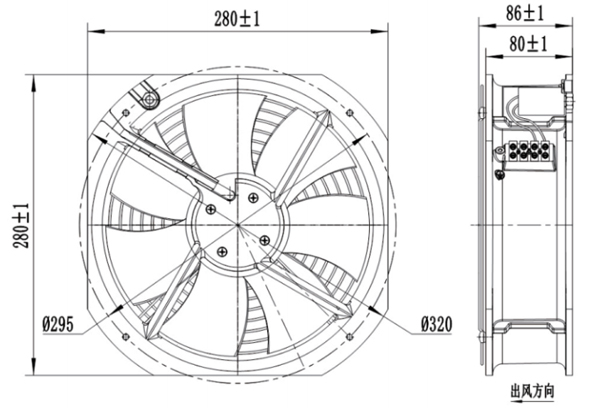
Materiał: Wirnik wykonany z zimnej płyty z powłoką elektryczną, 7 łopatek wentylatora, rama wykonana ze stopu aluminium
Łożysko: Łożysko kulkowe
Kontrola prędkości: Shifts Taps (produkt z wieloma prędkościami)
Temperatura pracy: -25 ~ 55 ° C
Klasa izolacji: F
Klasa ochrony: IP44
Zatwierdzenia: CCC, CE

Wydajność:

Punkt roboczy | Ciśnienie statyczne (Pa) | Przepływ powietrza (m3/H) | Prędkość (r/min) | Moc (W) |
1 | 20 | 1780 | 2500 | 128 |
2 | 40 | 1700 | 2480 | 130 |
3 | 60 | 1580 | 2450 | 131 |
4 | 70 | 1500 | 2400 | 130 |
Model wentylatora | Typ silnika | Napięcie | Moc | Prąd | Prędkość | Przepływ powietrza | Hałas |
(V) | (W) | (A) | (R/min) | (M3/H) | Lp:dB(A) | ||
AG250B-A092C2-00 | AM092C2 | AC230/50Hz | 128 | 0,56 | 2550 | 1850 | 66 |
Szybkie linki