Zadzwoń do mnie
Domowe:+86-18169817259
Oversea:+86-13790081902
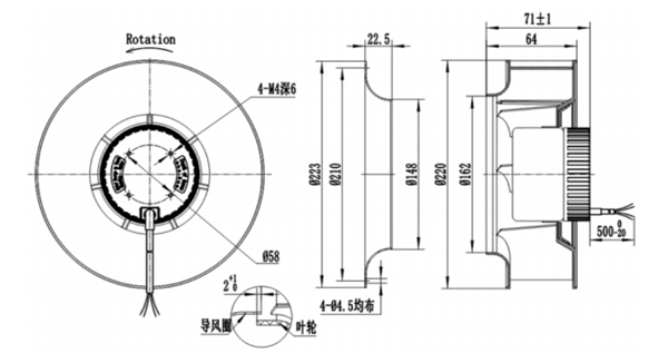
Materiał: Wirnik wykonany z PA66
Łożysko: Łożysko kulkowe
Kontrola prędkości: wejście sterujące 0-5/10V lub PWM
Temperatura pracy: -25 ~ 60 ° C
Klasa izolacji: B
Klasa ochrony: IP44
Zatwierdzenia: CCC, CE

Wydajność:

Punkt roboczy | Ciśnienie statyczne (Pa) | Przepływ powietrza (m3/H) | Prędkość (r/min) | Moc (W) |
1 | 100 | 880 | 3096 | 120 |
2 | 195 | 770 | 3075 | 134 |
3 | 285 | 660 | 3050 | 138 |
4 | 360 | 550 | 3050 | 138 |
Model wentylatora | Typ silnika | Napięcie | Moc | Prąd | Prędkość | Przepływ powietrza | Hałas |
(V) | (W) | (A) | (R/min) | (M3/H) | Lp:dB(A) | ||
BC220A-D092A6-** | DM092A | DC24 | 107 | 4.45 | 3100 | 990 | 76 |
BC220A-D092A8-** | DC48 | 108 | 2.24 | 3100 | 990 | ||
BC220A-D092A0-** | DC310 | 105 | 0,75 | 3500 | 990 |
Szybkie linki