Zadzwoń do mnie
Domowe:+86-18169817259
Oversea:+86-13790081902
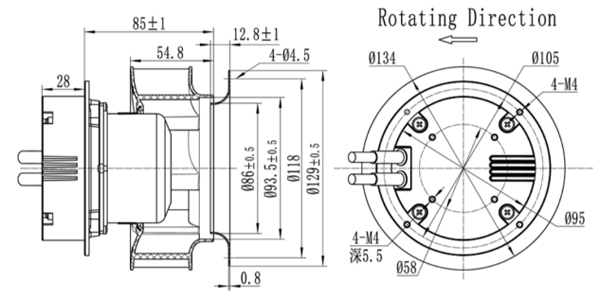
Materiał: Wirnik wykonany z PA66
Łożysko: Łożysko kulkowe
Kontrola prędkości: wejście sterujące 0-10V lub PWM
Temperatura pracy: -25 ~ 60 ° C
Klasa izolacji: B
Klasa ochrony: IP54
Zatwierdzenia: CCC, CE

Wydajność:

Punkt roboczy | Ciśnienie statyczne (Pa) | Przepływ powietrza (m3/H) | Prędkość (r/min) | Moc (W) |
1 | 200 | 380 | 5230 | 83 |
2 | 240 | 360 | 5230 | 85 |
3 | 295 | 330 | 5235 | 86 |
4 | 350 | 300 | 5225 | 88 |
Model wentylatora | Typ silnika | Napięcie | Moc | Prąd | Prędkość | Przepływ powietrza | Hałas |
(V) | (W) | (A) | (R/min) | (M3/H) | Lp:dB(A) | ||
BC133A-E072A3-** | EM072A | 230V/50Hz | 55 | 0,41 | 4500 | 425 | 67 |
Szybkie linki