Zadzwoń do mnie
Domowe:+86-18169817259
Oversea:+86-13790081902
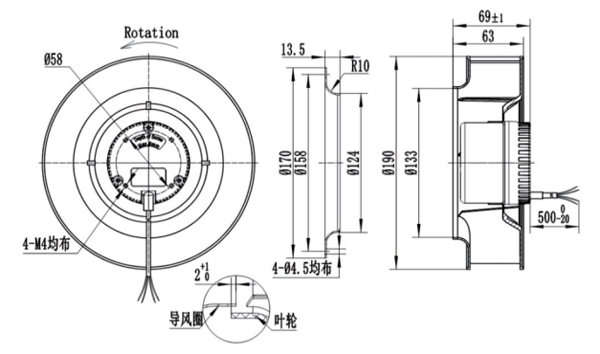
Materiał: lmpeller wykonany z PA66
Łożysko: Łożysko kulkowe
Kontrola prędkości: wejście sterujące 0-5/10V lub PWM
Temperatura pracy: -25 ~ 60 ° C
Klasa izolacji: B
Klasa ochrony: IP44
Zatwierdzenia: CCC, CE

Wydajność:

Punkt roboczy | Ciśnienie statyczne (Pa) | Przepływ powietrza (m3/H) | Prędkość (r/min) | Moc (W) |
1 | 75 | 560 | 3039 | 63 |
2 | 150 | 490 | 2995 | 64 |
3 | 210 | 420 | 2966 | 65 |
4 | 260 | 350 | 2950 | 65 |
5 | 305 | 280 | 2950 | 62 |
Model wentylatora | Typ silnika | Napięcie | Moc | Prąd | Prędkość | Przepływ powietrza | Hałas |
(V) | (W) | (A) | (R/min) | (M3/H) | Lp:dB(A) | ||
BC190A-D072A6-** | DM072A | DC24 | 56 | 2.36 | 3000 | 600 | 68 |
BC190A-D072A8-** | DC48 | 56 | 1.2 | 3000 | 600 | 68 | |
BC190A-D072A0-** | DC310 | 38 | 0,55 | 3000 | 600 | 68 |
Szybkie linki