Zadzwoń do mnie
Domowe:+86-18169817259
Oversea:+86-13790081902
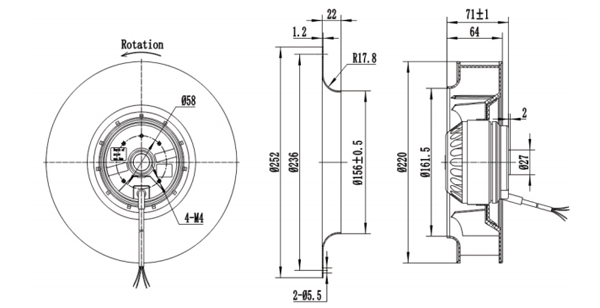
Materiał: Wirnik wykonany z PA66
Łożysko: Łożysko kulkowe
Kontrola prędkości: Shifts Taps (produkt z wieloma prędkościami)
Temperatura pracy: -25 ~ 55 ° C
Klasa izolacji: F
Klasa ochrony: IP44
Zatwierdzenia: CCC, CE

Wydajność:

Punkt roboczy | Ciśnienie statyczne (Pa) | Przepływ powietrza (m3/H) | Prędkość (r/min) | Moc (W) |
1 | 125Pa | 715 | 2480 | 123 |
2 | 175Pa | 615 | 2420 | 126 |
3 | 220Pa | 515 | 2390 | 127 |
4 | 250Pa | 420 | 2380 | 127 |
Model wentylatora | Typ silnika | Napięcie | Moc | Prąd | Prędkość | Przepływ powietrza | Hałas |
(V) | (W) | (A) | (R/min) | (M3/H) | Lp:dB(A) | ||
BC220A-A092C2-** | AM092C | AC230/50Hz | 105 | 0,43 | 2500 | 920 | 72 |
Szybkie linki