Zadzwoń do mnie
Domowe:+86-18169817259
Oversea:+86-13790081902
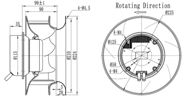
Materiał: Wirnik wykonany z PA66
Łożysko: Łożysko kulkowe
Kontrola prędkości: wejście sterujące 0-10V lub PWM
Temperatura pracy: -25 ~ 60 ° C
Klasa izolacji: B
Klasa ochrony: IP54
Zatwierdzenia: CCC, CE

Wydajność:

Punkt roboczy | Ciśnienie statyczne (Pa) | Przepływ powietrza (m3/H) | Prędkość (r/min) | Moc (W) |
1 | 250 | 990 | 2835 | 161 |
2 | 300 | 885 | 2835 | 151 |
3 | 350 | 805 | 2835 | 157 |
4 | 400 | 705 | 2835 | 160 |
Model wentylatora | Typ silnika | Napięcie | Moc | Prąd | Prędkość | Przepływ powietrza | Hałas |
(V) | (W) | (A) | (R/min) | (M.3/H) | Lp:dB(A) | ||
BC225A-E092B6-** | EM092B | 230V/50Hz | 125 | 1.05 | 2900 | 1250 | 75 |
Szybkie linki