Zadzwoń do mnie
Domowe:+86-18169817259
Oversea:+86-13790081902
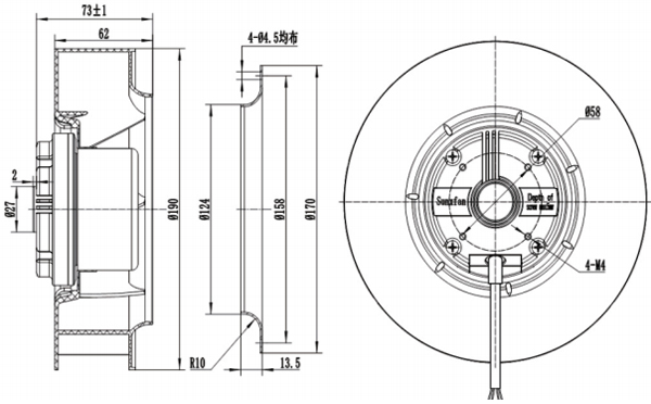
Materiał: Wirnik wykonany z PA66
Łożysko: Łożysko kulkowe
Kontrola prędkości: 2 prędkości, z wyjściem sygnału RD
Temperatura pracy: -25 ~ 60 ° C
Klasa izolacji: B
Klasa ochrony: IP54
Zatwierdzenia: CCC, CE

Wydajność:

Punkt roboczy | Ciśnienie statyczne (Pa) | Przepływ powietrza (m3/H) | Prędkość (r/min) | Moc (W) |
1 | 150 | 560 | 3280 | 85 |
2 | 250 | 450 | 3260 | 90 |
3 | 150 | 460 | 3890 | 56 |
4 | 250 | 330 | 3860 | 60 |
Model wentylatora | Typ silnika | Napięcie | Moc | Prąd | Prędkość | Przepływ powietrza | Hałas |
(V) | (W) | (A) | (R/min) | (M3/H) | Lp:dB(A) | ||
BC190A-E072B3-** | EM072B | 230V/50Hz | 90 | 0,65 | 3300 | 750 | 69 |
60 | 0,45 | 2900 | 640 | 64 |
Szybkie linki