Zadzwoń do mnie
Domowe:+86-18169817259
Oversea:+86-13790081902
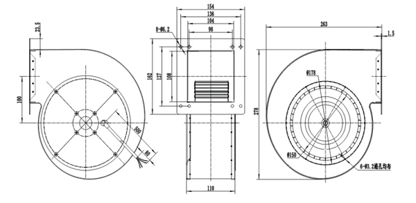
Materiał: Wirnik wykonany z PP, obudowa zwojowa wykonana z blachy stalowej walcowanej na zimno
Łożysko: Łożysko kulkowe
Kontrola prędkości: wejście sterujące 0-5/10V lub PWM
Temperatura pracy: -25 ~ 60 ° C
Klasa izolacji: B
Klasa ochrony: IP44
Zatwierdzenia: CCC, CE

Wydajność:

Punkt roboczy | Ciśnienie statyczne (Pa) | Przepływ powietrza (m3/H) | Prędkość (r/min) | Moc (W) |
1 | 110 | 630 | 1380 | 116 |
2 | 230 | 550 | 1550 | 115 |
3 | 350 | 450 | 1800 | 118 |
Parametr: (można dostosować)
Model wentylatora | Typ silnika | Napięcie | Moc | Prąd | Prędkość | Przepływ powietrza | Hałas |
(V) | (W) | (A) | (R/min) | (M3/H) | Lp:dB(A) | ||
DG180A-D092A8-** | DM092 | DC48V | 120 | 2.25 | 1200 | 720 | 63 |
DG180A-D092A0-** | DC310 | 120 | 0,56 | 1200 | 720 | 63 |
Szybkie linki