Zadzwoń do mnie
Domowe:+86-18169817259
Oversea:+86-13790081902
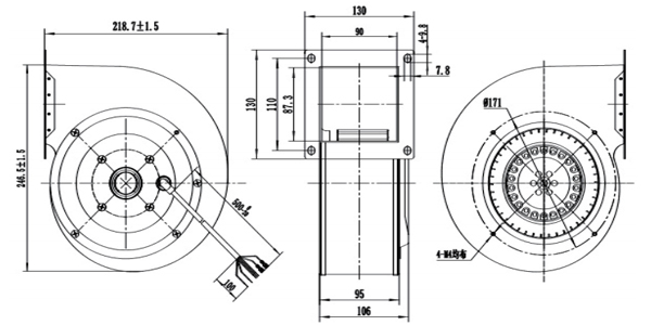
Materiał: Wirnik wykonany z blachy ocynkowanej, obudowa zwojowa wykonana z blachy stalowej walcowanej na zimno
Łożysko: Łożysko kulkowe
Kontrola prędkości: Shifts Taps (produkt z wieloma prędkościami)
Temperatura pracy: -25 ~ 55 ° C
Klasa izolacji: F
Klasa ochrony: IP44
Zatwierdzenia: CCC, CE

Wydajność:

Punkt roboczy | Ciśnienie statyczne (Pa) | Przepływ powietrza (m3/H) | Prędkość (r/min) | Moc (W) |
1 | 150 | 450 | 1950 | 175 |
2 | 250 | 420 | 2150 | 165 |
3 | 400 | 360 | 2380 | 156 |
4 | 450 | 315 | 2480 | 145 |
Model wentylatora | Typ silnika | Napięcie | Moc | Prąd | Prędkość | Przepływ powietrza | Hałas |
(V) | (W) | (A) | (R/min) | (M3/H) | Lp:dB(A) | ||
DG160B-A092D2-00 | AM092D | AC230/50Hz | 185 | 0,85 | 1550 | 490 | 65 |
Szybkie linki